体积小巧,流量高达150L/min
液体压力可达7bar
中心体部分由防腐蚀涂层
可靠的空气换向阀

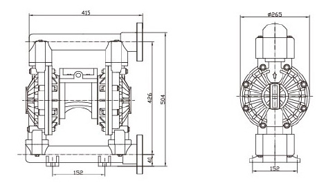
| Max working pressure | 100psi(0.7Mpa,7bar) |
| Max flow rate | 90gpm(340 lpm) |
| Max reciprocating speed | 200cpm |
| Max suction height | 5m |
| Max permitted grain | 5mm |
| Max air consumption | 125scfm(3.5m³/min) |
| Air inlet size | 1/2in.npt(f) |
| Air outlet size | 1/2in.npt(f) |
| Fluid inlet size | 11/2in.npt(f) |
| Fluid outlet size | 11/2in.npt(f) |
| Weight | 16.0kg |