Images

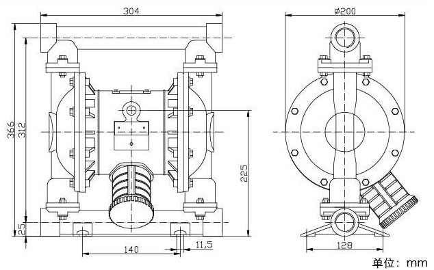
DN25PP(金属中间体)


下一条:DN40PP(金属中间体) 上一条:已经没有了

本公司生产的LEIVER系列气动隔膜泵是一种新型的输送设备,是目前国内最新颖的泵类。采用压缩空气为动力源,对于各种腐蚀性液体,带颗粒的液体,高粘度、易挥发、易燃、剧毒的液体,均能抽光吸尽。

本公司生产的隔膜泵共有六种规格。进出口尺寸分别为1/4″、1/2″、3/4″、1″、 1.5″、2″、3″、4″,流体部件材质有:铝合金、球墨铸铁、聚丙烯、不锈钢、隔膜根据不同膜片材质分别有:丁腈橡胶、氯丁橡胶、聚乙烯、三道橡胶、聚醚橡胶、氟橡胶、聚四氟乙烯、聚二氟乙烯。以满足不同液体介质的需要。

LEIVER系列气动隔膜泵工作原理:在隔膜泵的两个对称工作腔中,各装有一块有弹性的隔膜,连杆将两块隔膜结成一体,压缩空气从泵的进气接头进入中间体后,推动两个工作腔内的隔膜,驱动连杆联结的隔膜同步运动。与此同时,另一工作腔中的气体则从其隔膜的背面排出泵外。当活塞达到行程终点,配气阀机构则自动的将压缩空气引入另一工作腔,推动隔膜泵朝反向运动,这样就形成了两个隔膜的同步往复运动。每个工作腔中又设置两个单向球阀,隔膜的往复运动,造成工作腔内容积的改变,迫使两个单向球阀交替的开启和关闭,从而使液体连续的吸入和排出。


  最大工作压力
  Max.workingPressuRe
  100psi(0.7Mpa,7bar)
  最大流量
  Max.flowRate
  40gpm(150lpm)
  最大往复速度
  Max.reciprocatingSpeed
  276cpm
  最大虹吸高度
  Max.suctionHeight
  5m
  最大输送固体颗粒
  Max.permittedGrain
  4mm
  最大空气消耗量
  Max.aiRConsumption
  60scfm(1.7m³/min)
  空气进口尺寸
  AirInletSize
  1/2in.npt(f)
  空气出口尺寸
  AirOutletSize
  1/2in.npt(f)
  流体进口尺寸
  FluidInletSize
  1in.npt
  流体出口尺寸
  FluidOutletSize
  1in.npt(f)
  重量
  Weight
  铝合金泵Aluminum pump 8.2kg
  不锈钢泵Stainless steelpump15lg